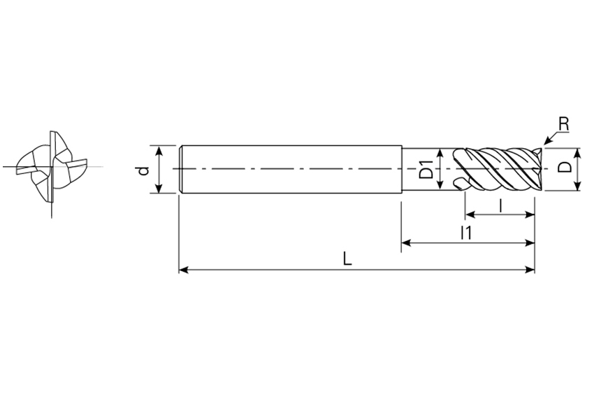
AE-VML 20xR1x80mm

Product recommendations

Vischer & Bolli

Produkte

Main Menu

Other

Language: English