SALE
Outlet
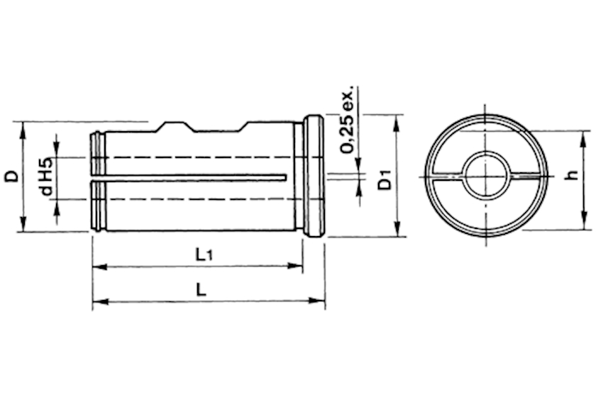
49035 D32 12mm

Product recommendations

Vischer & Bolli

Produkte

Main Menu

Other

Language: English