NETTO
277NR-4

Please select your article

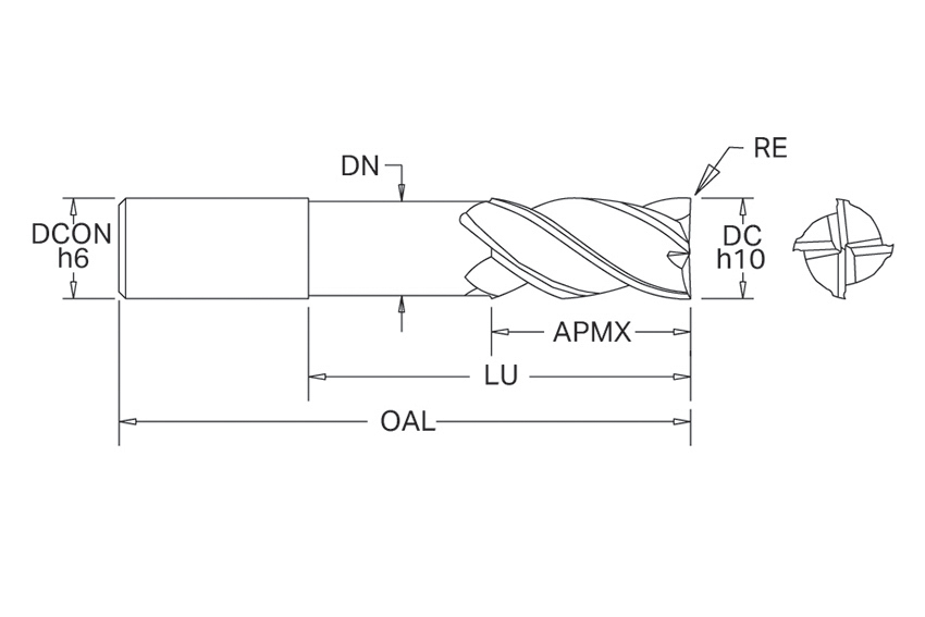
cutting edge diameter (mm)
Usable length (mm)
Total length (mm)
Chucking diameter (mm)
Reset all filters
7 Results
Vischer & Bolli

Produkte

Main Menu

Other

Language: English