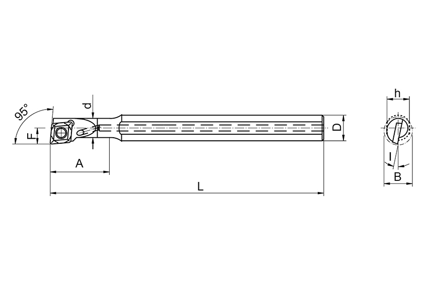
ISO Bohrstangen zeichnen sich durch die Austauschbarkeit der Komponenten aus. Alleinstellungsmerkmal für Denitool Werkzeuge nach ISO Norm sind die gehärteten Wendeplattensitze und Fertigungsmethoden. In Kombination führt das zu günstigem Vibrationsverhalten und Werkzeugverschleiss.